差壓式流量計在咱們的產業出產及民生范疇有著很是遍及的操縱,它包含孔板數據蒸汽流量計等很多市(shi)場上支流(liu)的(de)流(liu)量(liang)計產物,本文將(jiang)從其道理、布局、特色、操縱(zong)等多方面(mian)停止(zhi)體系的(de)先容。
1.1根基道理
布滿管(guan)(guan)道的(de)(de)流(liu)(liu)體(ti),當(dang)它流(liu)(liu)經管(guan)(guan)道內的(de)(de)節(jie)(jie)省件時,如圖4.1所示,流(liu)(liu)速(su)將在(zai)(zai)節(jie)(jie)省件處構成局部(bu)縮短,是以流(liu)(liu)速(su)增添(tian),靜壓(ya)(ya)(ya)力降落(luo),因(yin)而(er)在(zai)(zai)節(jie)(jie)省件前后便發生了壓(ya)(ya)(ya)差(cha)(cha)。流(liu)(liu)體(ti)流(liu)(liu)量(liang)愈大,發生的(de)(de)壓(ya)(ya)(ya)差(cha)(cha)愈大,如許(xu)可(ke)按(an)照(zhao)壓(ya)(ya)(ya)差(cha)(cha)來權衡流(liu)(liu)量(liang)的(de)(de)巨細。這類丈量(liang)體(ti)例(li)是以活動持續(xu)性方程(品質守恒定律)和伯努利方程(能量(liang)守恒定律)為(wei)根(gen)本的(de)(de)。壓(ya)(ya)(ya)差(cha)(cha)的(de)(de)巨細不只與(yu)流(liu)(liu)量(liang)還與(yu)其余很多身分有(you)關,比方當(dang)節(jie)(jie)省裝(zhuang)配情勢或管(guan)(guan)道內流(liu)(liu)體(ti)的(de)(de)物感性子(zi)(密度、粘度)差(cha)(cha)別時,在(zai)(zai)一樣巨細的(de)(de)流(liu)(liu)量(liang)下發生的(de)(de)壓(ya)(ya)(ya)差(cha)(cha)也是差(cha)(cha)別的(de)(de)。
1.2流量方程

式中 qm--品質流量,kg/s;
qv--體積流量,m3/s; C--流出系數; ε--可縮短性系數;
β--內徑比,β=d/D; d--釣魚任務前提條件下增加件的鉆孔大小,m; D--任何要素下粗俗線路直徑,m;△P--差壓,Pa; ρl--下流流體密度,kg/m3。
1. 分 類
差壓(ya)式流量(liang)計分類(lei)如表4.1所(suo)示(shi)。
表4.1 差壓式流量計分類表
|
的分類準繩 |
分 類 類 型 |
|
按發生了差壓的度化理論歸類 |
1)省去式;2)動壓頭式;3)水阻尼力式;4)軸流式式;5)動壓增益值式;6)射免疫印跡 |
|
按調整布局世界形勢種類 |
1)國家標準孔板;2)標準激光噴嘴;3)臭街文丘里管;4)文丘里噴頭;5)錐型出口孔板;6)1/4圓形孔板;7)圓缺孔板;8)偏疼孔板;9)楔形孔板;10)全體人員(內藏)孔板;11)線型孔板;12)方形孔板;13)道爾管;14)羅洛斯管;15)不銹鋼彎頭;16)可換孔板節約使用零件;17)臨界值流降低成本裝配 |
|
按妙用種類 |
1)正確節省了零件;2)低雷諾數避免浪費搭配;3)臟濁流大大節省裝配;4)高壓低壓損合理節省安裝;5)小管子規格節儉自動裝配;6)寬空間度節省了安裝;7)臨界值流節約了裝配圖; |
2.1 按發生差壓的感化道理分類
1)節省式 按照流體經由進程節省件使局部壓力能改變為動能以發生差壓的道理任務,其檢測件稱
之為節省裝配,是DPF的首要種類。
2)動壓頭式 按照動壓改變為靜壓的道理任務,如均速管流量計。
3)水力阻力式 按照流體阻力發生的壓差道理任務,檢測件為毛細管制,又稱層流流量計,一
般用于細小流量丈量。
4)離心式 按照曲折管或環狀管發生向心力道理構成的壓差任務,如彎管流量計,環形管流量
計等。
5)動壓增益式 按照動壓縮小道理任務,如皮托-文丘里管。
6)射(she)流式 按照流體射(she)流撞(zhuang)擊發(fa)生道理任務,如射(she)流式差壓流量計(ji)。
2.2 按布局情勢分類
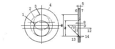
1) 規范孔板 又稱齊心直角邊緣孔板,其軸向截面如圖4.2所示。孔板是一塊加工成圓形齊心的具備鋒利直角邊緣的薄板。孔板開孔的下流側邊緣應是鋒利的直角。規范孔板熱度計有三種取壓體(ti)例:角接、法(fa)蘭及D-D/2取壓;如(ru)圖4.3所示(shi)。為(wei)從兩(liang)個標(biao)的(de)(de)目的(de)(de)的(de)(de)任一個標(biao)的(de)(de)目的(de)(de)丈(zhang)量流量,可接納對稱孔(kong)板,節省孔(kong)的(de)(de)兩(liang)個邊(bian)緣(yuan)均(jun)合適直角邊(bian)緣(yuan)孔(kong)板下流邊(bian)緣(yuan)的(de)(de)特(te)征,且孔(kong)板全數厚(hou)度不跨越節省孔(kong)的(de)(de)厚(hou)度。

圖4.2 規范孔板 圖4.3 孔板的(de)三(san)種取壓體(ti)例
2) 規范噴嘴 有兩種布局情勢:ISA 1932噴嘴和長徑噴嘴。
a. ISA 1932噴嘴(圖4.4)
下(xia)流面由垂(chui)直于(yu)軸的(de)立(li)體(ti)、廓形(xing)為(wei)圓周(zhou)的(de)兩段(duan)弧線所肯定的(de)縮短段(duan)、圓筒形(xing)喉部(bu)和(he)凹槽構(gou)成的(de)噴嘴。ISA 1932噴嘴的(de)取壓體(ti)例僅角接取壓一種(zhong)。

圖4.4 ISA 1932噴嘴(zui)
b. 長徑噴嘴(圖4.5) 下流面由垂直于軸的立體、廓形為1/4橢圓的縮短段、圓筒形喉部和能夠有的凹槽或斜角構成的噴嘴。長徑噴嘴的取壓體例僅D-D/2取壓一種。
3)
典范文丘里管 由進口圓筒段A、圓錐縮短段B、圓筒形喉部C和圓錐分散段E構成,如圖4.6 所示。按照差別的加工體例,有以下布局情勢:①具備粗鑄縮短段的;②具備機器加工縮短段的;③具備鐵板焊接縮短段的。
4)文丘里噴嘴 由進口噴嘴、圓筒形喉部及分散段構成,如圖4.7所示。
5)錐形進口孔板(ban)(ban) 錐形進口孔板(ban)(ban)與(yu)規范孔板(ban)(ban)類似,相稱于一(yi)塊(kuai)倒裝的規范孔板(ban)(ban),其布(bu)局如(ru)圖4 . 8所(suo)示,取壓體例為角(jiao)接取壓。

圖4.6 典范文丘里管

圖4.7 文丘里噴嘴 圖4.8 錐形進口孔板
1一環隙;2-夾持環;3一下流端面A;4-下流端面B;
5-軸線;6-流向;7-取壓口;8-孔板;
X-帶環隙的(de)夾持(chi)環;Y-零(ling)丁取壓口

圖4.11 偏疼孔板
1- 孔板開孔;2-管道內徑;3-孔板開孔另外一地位;4-孔板外徑;5-孔板厚度E;
6-下流端面A;7-下流端面B;8-孔板開孔厚度e;9-孔板軸線;10-斜角F;
11-孔板開孔軸線;12-流向(xiang);13-下(xia)流邊緣(yuan)G;14-下(xia)流邊緣(yuan)H、I

圖4.12 楔形流量計
1-高壓(ya)取(qu)壓(ya)口;2-高壓(ya)取(qu)壓(ya)口;3-丈量管;4-楔形孔板;5-法蘭(lan)

圖4.13 全體(內藏)孔板
(a) 縱(zong)貫式(shi);(b)U形彎管式(shi)

圖4.14 線性孔板(GILFLO型節省裝配)
1-不變裝配;2-紡錘形活塞;3-安穩孔板;4-排氣孔;5-標定和鎖定蝸桿裝配;
6-軸支持;7-高壓(ya)側差(cha)(cha)壓(ya)檢出會商;8-高張力緊密彈簧(huang);9-排水孔;10-高壓(ya)側差(cha)(cha)壓(ya)檢出會商

圖4.15 環形孔板
13)道爾管 道爾管布局如圖4.16所示。它由40o進口錐角和15o分散管構成。流體(ti)起(qi)首碰著a上,再(zai)經(jing)短而陡(dou)的(de)錐體(ti),達到喉部(bu)槽雙方的(de)兩(liang)個圓筒(tong)形局部(bu),經(jing)由(you)進程(cheng)短的(de)錐體(ti)后(hou)在f處,俄然擴(kuo)展到管道中,全數長度僅是管徑的(de)1.5-2倍(bei),是典范文(wen)丘里管長度的(de)17%。道爾管發生的(de)差壓比典范文(wen)丘里管大,在高差壓下卻(que)有低的(de)壓損(sun)。

圖(tu)4.16道爾管
14)羅洛斯管 羅洛斯管布局如圖4.17所示。它由進口段、進口錐管、喉部錐管、喉部和分散管構成。進口錐管的錐角為40o,喉部錐角為7o,分散管錐角為5o,下流取壓口接納角接取壓,其取壓口緊靠進口錐角處,下流取壓口在喉部長度的一半,即d/4處。
15)彎管 彎管布局如圖4.18所示。操縱管道體系彎頭作檢測件,無附加壓損及特地裝配節省件是其長處,彎管取壓口開在45o或22.5o處,取壓(ya)口布(bu)局(ju)與規范孔板不異,兩個立體內的兩個取壓(ya)口瞄準,使(shi)其能(neng)處于統一條直(zhi)線上,彎管內壁應盡(jin)能(neng)夠堅持(chi)滑膩。
16)可(ke)換(huan)孔(kong)板(ban)節省(sheng)裝配(pei) 圖4.19所示為斷流掏出(chu)型可(ke)換(huan)孔(kong)板(ban)節省(sheng)裝配(pei)。在須(xu)要查抄孔(kong)板(ban)或(huo)改換(huan)孔(kong)板(ban)時,可(ke)無需拆開管道,短時候停息管道內(nei)被(bei)測(ce)介質(zhi)的活動,這時候便可(ke)翻開上蓋,掏出(chu)孔(kong)板(ban)及密封件(jian)予以查抄或(huo)改換(huan)。
17)臨界流節省裝配 臨界流節省裝配有兩種布局情勢:圓環喉部文丘里噴嘴和圓筒喉部文丘里噴嘴,如圖4.20所示。
a.圓環喉部文丘里噴嘴 它由進口段、圓弧縮短段和分散段構成。進口縮短段是一個喇叭形曲面,該曲面延長至最小斷面處(喉部),并與分散段相切。在進口立體的下流,廓形不劃定,但在每一個軸向地位上,其直徑都應即是或大于喇叭形擴展局部的直徑。
b.圓筒形喉部文丘里噴嘴 它由進口段、圓弧縮短段、圓筒形喉部及分散段構成。其進口立體為進口外表相切且垂直于噴嘴中間線的立體。縮短段為1/4圓曲面,一端與進口立體相切,另外一端與圓筒喉部相切。1/4圓曲面和圓筒喉部之間的毗連應不錯誤謬誤,毗連要滑膩。(a)圓環形喉部文丘里噴嘴
2.3 按用處分類
1)規范節省裝配 ISO 5167或GB/T2624中所包含的節省裝配稱為規范節省裝配,它們是規范孔板、規范噴嘴、典范文丘里管和文丘里噴嘴。在設想、制作、裝配及利用方面皆遵守規范劃定,可不必個體校準而利用。
2)低雷諾數節省裝配 如1/4圓孔板、錐形進口孔板和兩重孔板等。
3)臟濁流節省裝配 如圓缺孔板、偏疼孔板和楔形孔板等。
4)高壓損節省裝配 如道爾管、羅洛斯管、彎管及環形管等。
5)小管徑節省裝配 如全體(內藏)孔板和一體式流量變送器等。
6)寬范圍度節省裝配 如線性孔板等。
7)臨界流節(jie)省裝(zhuang)配 如臨界流文丘里噴(pen)嘴等(deng)。

圖4.19 可換孔(kong)板節(jie)省裝(zhuang)配 圖4.20 臨界(jie)流節(jie)省裝(zhuang)配
2. 節省式差壓流量計的首要特色
操縱最遍及的節省件規范孔板布局易于復制,簡略,安穩,機能不變靠得住,利用刻日長,價錢昂貴。
節省式DPF操縱范圍極遍及,至今還不任何一類流量計可與之比擬。全數單相流體,包含液、氣、蒸汽皆可丈量,局部混相流,如氣固、氣液、液固等亦可操縱,普通出產進程的管徑、任務狀態(壓力,溫度)皆有產物。
檢測件與差壓顯現儀表可分開差別出產廠出產,便于專業化構成范圍經濟出產,它們的連系很是矯捷便利。
檢測件,出格是規范型的,是全天下通用的,并獲得國際規范構造的承認。對規范型檢測件停止的實驗研討是國際性的,其余流量計普通僅依托個體廠家或研討群體停止,是以其研討的深度和廣度不可同日而語。從時候上看,規范型檢測件自20世紀30年月由國際規范化構造肯定后再也不改變,其研討材料及出產理論的堆集極為豐碩,它觸及的操縱范圍還不一類流量計可比。
恰是因為上述緣由,規范型節省式DPF無需實流校準,便可投用,在流量計中亦是唯一的。
今朝在各類范例中以節省式和動壓頭式操縱最多。節省式已開辟20余種類,并且仍有新種類開辟出,較成熟的向規范型成長,ISO設有特地手藝委員會擔任此項任務。動壓頭式以均速管流量計為代表,最近幾年有較快成長,它是拔出式流量計的首要種類,其用量在敏捷增添。
節省式DPF首要存在以下錯誤謬誤:
1)丈量的反復性、切確度在流量計中屬于中等程度,因為浩繁身分的影響錯綜龐雜,切確度難以進步。
2)范圍度窄,因為儀表旌旗燈號(差壓)與流量為平方干系,普通范圍度僅3:1-4:1。
3)現場裝配前提請求較高,如需較長的直管段(指孔板,噴嘴),普通難以知足。
4)檢測件與差壓顯現儀表之間引壓管線為軟弱關鍵,易發生泄露、梗塞、解凍及旌旗燈號失真等毛病。
5)壓損大(指孔板,噴嘴)。
為了填補上述錯誤謬誤,最近幾年儀表開辟有以下一些辦法。
(1) 對范圍度的拓寬
節省式DPF范圍度拓寬從兩方面動手:1)開辟線性孔板;2)接納寬量程差壓變送器或多臺差壓變送器并用。
(2)開辟定值節省件
定值節省件是指對每種通徑丈量管道配以無限數目的節省件,節省件的β值(孔徑)則按優先數系選用,每種通徑配3-5種β值。定值節省件的操縱有很多長處:改變節省件操縱對號入坐的錯誤謬誤;節省件出產體例由小出產功課體例改變為多量量出產;對廓形節省件(如噴嘴,文丘里管等)接納公用加工裝備完成批量出產,降落出產本錢,為擴展利用締造前提;給用戶帶來利用的便利等等。
(3)壓損題目
但凡節省式DPF壓損大是指檢測件為孔板或噴嘴等種類,實在早已開辟多種高壓損節省件,如各類流量管(道爾管、羅洛斯管、通用文丘里管等),它們未能大批操縱的緣由是布局輕巧,價錢高,如接納定值節省件能夠使出產本錢大幅度降落,為遍及操縱締造前提。
(4)一體化節省式DPF
把節省裝配和差壓變送器做成一體,免卻引壓管線,削減毛病率,改良靜態特征,便利裝配利用,遭到用戶的接待。外洋操縱已相稱遍及,據統計,日本在1996-1997年新建四家工場400余臺差壓式流量計,一體化間接裝配儀表約占三分之一。
(5)裝配前提題目
典范文丘里管須要的(de)(de)直管段(duan)長度(du)(du)短(duan)(約5D-10D),在無長直管段(duan)場所盡能夠接納此類節(jie)(jie)省件(jian),它做成(cheng)定值節(jie)(jie)省件(jian),能夠降(jiang)落(luo)制作本錢。最近(jin)幾年國(guo)際上為處置阻(zu)流件(jian)攪擾出力(li)研討合用的(de)(de)活(huo)動調(diao)劑器(qi),在精度(du)(du)請求較(jiao)高季節(jie)(jie)省裝配(pei)(pei)與活(huo)動調(diao)劑器(qi)配(pei)(pei)套供給,可保障丈量(liang)的(de)(de)切確(que)度(du)(du),但(dan)也增添了(le)壓損(sun)與掩護任(ren)務
3. 裝配利用注重事變
4.1 裝配注重事變
節省式DPF的裝配請求包含管道前提、管道毗連環境、取壓口布局、節省裝配高低流直管段長度和差壓旌旗燈號管路的敷設環境等。
裝配請求必須按規范施工,偏離請求發生的丈量誤差,固然有些能夠批改,但大局部是沒法定量肯定的,是以現場的裝配應嚴酷按照規范的劃定履行,不然發生的丈量誤差乃至沒法定性肯定。
對節省裝配高低流直管段長度的肯定,是一個有爭議的題目。因為停止此項實驗的各實驗者前提的差別,和誤差評定體例的不不合,實驗功效存在不合并不奇異。國際上在80年月停止了大范圍的孔板流量計實驗,為ISO 5167的訂正打下根本。訂正的首要內容之一便是直管段長度的訂正,和活動調劑器的利用等。
以下咱們按丈量管、節省件和差壓旌旗燈號管路幾方面的裝配須要注重的事變別離停止簡介。
⑴
丈量管及其裝配
丈(zhang)量(liang)管(guan)(guan)(guan)是(shi)指節(jie)省(sheng)件高(gao)低(di)流直(zhi)(zhi)管(guan)(guan)(guan)段,包含(han)節(jie)省(sheng)件夾(jia)持環(huan)及(ji)活動(dong)調劑(ji)(ji)器(若是(shi)利用(yong)時),典(dian)范的丈(zhang)量(liang)管(guan)(guan)(guan)如圖(tu)4.21所示。丈(zhang)量(liang)管(guan)(guan)(guan)是(shi)節(jie)省(sheng)裝(zhuang)(zhuang)(zhuang)配的首(shou)要(yao)(yao)構成局(ju)部(bu),其布(bu)局(ju)及(ji)多少尺寸對進(jin)入節(jie)省(sheng)件流體(ti)的活動(dong)狀(zhuang)(zhuang)態有首(shou)要(yao)(yao)影響,以是(shi)在(zai)規范中對丈(zhang)量(liang)管(guan)(guan)(guan)的布(bu)局(ju)尺寸及(ji)裝(zhuang)(zhuang)(zhuang)配有具體(ti)的劃定。對丈(zhang)量(liang)管(guan)(guan)(guan)及(ji)其裝(zhuang)(zhuang)(zhuang)配應注重以下內(nei)(nei)容(rong):1)直(zhi)(zhi)管(guan)(guan)(guan)段管(guan)(guan)(guan)道內(nei)(nei)徑的肯定體(ti)例;2)直(zhi)(zhi)管(guan)(guan)(guan)段的直(zhi)(zhi)度(du)和(he)圓度(du);3)直(zhi)(zhi)管(guan)(guan)(guan)段的內(nei)(nei)外表狀(zhuang)(zhuang)態;4)直(zhi)(zhi)管(guan)(guan)(guan)段的須(xu)要(yao)(yao)長(chang)度(du);5)節(jie)省(sheng)件夾(jia)持環(huan);6)活動(dong)調劑(ji)(ji)器。
圖4.21 丈量管
具體請求以下。
1)下流 管徑:D=(D1+D2+D3+…+D12)/12在①②③立體處測;
圓度:0.997 D≤D1,D2,…,D14,Dn≤1.003 D在①②③④立體處測,此中n為保險起見,在③與④立體之間,追加的丈量次數。
2)下流 對管徑只作一次查抄:0.97 D≤D15≤1.03 D。
3)對古典文丘里管 進口圓筒形直徑與D之差≤進口圓筒形直徑的±1%;
進口圓筒形直徑與D1,D2,D3…之差≤進口圓筒形直徑的±2%;
D15≥文丘里分散段出口端直徑的90%。
用于計較節省裝配直徑比的管道內徑D值應為下流取壓口的下流0.5D長度范圍內的內徑均勻值。由圖可見,對內徑肯定的劃定是很嚴酷的,但是在現場因為各類緣由,偶然不按照請求停止,而接納公稱通徑作為設想計較之用,這是不許可的。
直管段管道內外表狀態對丈量切確度的影響常常被疏忽了。規范對管道內具體劃定。在湍流狀態下滑膩管與粗拙管的流速散布是不一樣的(見第2章)系數亦不不異。對新裝配的管道應選用合適粗拙度請求的管道,若是達不到請求接納辦法,如加涂層或停止機加工,以知足之。但是儀表持久利用后,因為丈量介質特征(侵蝕,粘結,結垢等)感化,內外表能夠發生改變,應按期查抄停止洗濯掩護。
直(zhi)管(guan)段(duan)(duan)長度與阻(zu)流件(jian)范(fan)例及β值有關,表4.5-表4.7示有規范(fan)節省(sheng)裝(zhuang)配的(de)(de)須(xu)要(yao)直(zhi)管(guan)段(duan)(duan)長度的(de)(de)劃定。由表可見,規范(fan)只(zhi)供給多少典范(fan)阻(zu)流件(jian)范(fan)例的(de)(de)數值,并(bing)且指(zhi)出(chu)這(zhe)些數據的(de)(de)實(shi)驗(yan)前(qian)提為進入阻(zu)流件(jian)的(de)(de)活動為充實(shi)成(cheng)長管(guan)流,明顯這(zhe)些前(qian)提在(zai)(zai)現場并(bing)非都能知足的(de)(de)。后面咱們已談過,在(zai)(zai)這(zhe)類(lei)環境下可接納活動調劑(ji)器處(chu)置。最近幾年來,國際上對活動調劑(ji)器的(de)(de)實(shi)驗(yan)研(yan)討很是正(zheng)視,獲(huo)得很多首要(yao)功效,這(zhe)些都將在(zai)(zai)ISO 5167新規范(fan)中獲(huo)得反(fan)應。
表4.5 孔板與阻流件之間所請求的直管段長度(無活動調劑器)(數值以管徑D倍數表現)
|
直經比β |
孔 板 上 游 側 (進口清關) |
|||||||||||||
|
單體90o九十度彎頭 |
在統一標準立體圖上的兩大90o90度彎頭,S形態 |
在統一立體空間上的多個90o異徑三通,S外觀簡約時尚 |
在徑直三維立體上的一個90o九十度彎頭,(30D≥S≥5D)① |
在鉛垂三維立體上的3個90o彎管,(5D>S)①② |
單獨某個90o三通管件 |
單一45o彎管在一致的三維立體上的三個45o90度彎頭,S內部結構(S>22D)① |
||||||||
|
|
A |
B |
A |
B |
A |
B |
A |
B |
A |
B |
A |
B |
A |
B |
|
0.20 |
6 |
3 |
10 |
10 |
10 |
10 |
19 |
18 |
34 |
17 |
9 |
3 |
⑤ |
⑤ |
|
0.40 |
16 |
3 |
10 |
10 |
10 |
10 |
44 |
18 |
50 |
25 |
9 |
3 |
30 |
9 |
|
0.50 |
22 |
9 |
18 |
10 |
22 |
10 |
44 |
18 |
75 |
34 |
19 |
9 |
30 |
9 |
|
0.60 |
42 |
13 |
30 |
18 |
42 |
18 |
44 |
18 |
65 |
25 |
29 |
18 |
30 |
18 |
|
0.67 |
44 |
20 |
44 |
18 |
44 |
20 |
44 |
20 |
60 |
10 |
36 |
18 |
44 |
18 |
|
0.75 |
44 |
20 |
44 |
18 |
44 |
22 |
44 |
20 |
75 |
18 |
44 |
18 |
44 |
18 |
|
直徑怎么算比β |
孔 板 上 游 側 (進品) |
孔板齷齪側(出來) |
||||||||||
|
漸縮管在1.5D到3D的長內由2D改成D |
漸擴管在D到2D的長內由0.5D調成D |
全孔閘閥或閘閥高畫質 |
對稱性突縮管 |
溫度計套管或插口③直徑小于0.03D④ |
之后全數阻流件實例和體積計線管 |
|||||||
|
|
A |
B |
A |
B |
A |
B |
A |
B |
A |
B |
A |
B |
|
0.20 |
5 |
5 |
16 |
8 |
12 |
6 |
30 |
15 |
5 |
3 |
4 |
2 |
|
0.40 |
5 |
5 |
16 |
8 |
12 |
6 |
30 |
15 |
5 |
3 |
6 |
3 |
|
0.50 |
6 |
5 |
18 |
9 |
12 |
6 |
30 |
15 |
5 |
3 |
6 |
3 |
|
0.60 |
9 |
5 |
22 |
11 |
14 |
7 |
30 |
15 |
5 |
3 |
7 |
3.5 |
|
0.67 |
12 |
6 |
27 |
14 |
18 |
9 |
30 |
15 |
5 |
3 |
7 |
3.5 |
|
0.75 |
22 |
11 |
38 |
19 |
24 |
12 |
30 |
15 |
5 |
3 |
8 |
4 |
①S-兩個彎頭分開的間距,從下流彎頭曲面局部的下流端到下流彎頭曲面局部的下流真個間距。
②卑劣的裝配前提,能夠的話,接納活動調劑器。
③對其余阻流件,溫度計套管的裝配不會變革其下流的最短直管段長度。
④當A欄和B欄別離增添到20D和10D時,則可裝配溫度計套管的直徑為0.03D到0.13D。
⑤此處有數據,用β=0.4的長度充足了。
注:1.對β<0.2能夠取β=0.2一樣的長度。
2.最小直管段長度是指孔板的高低流阻流件與孔板之間的長度,該長度是從最接近的彎頭或三通的曲面局部下流結尾或漸縮管和漸擴管的錐管局部下流結尾丈量起。
3.本表中大大都彎頭其曲率半徑即是1.5D,但亦可用于肆意曲率半徑的彎頭。
4.各類阻流件中A欄的長度是指"零附加不肯定度"的。
5.各類阻流件中B欄的長度是指"0.5%附加不肯定度"的。
表4.6噴嘴和文丘里噴嘴所請求的直管段長度(無活動調劑器)(數值以管徑D倍數表現)
|
尺寸比β |
霧炮和文丘里霧炮粗俗側(進口商) |
下作側(出口處) |
||||||||||||||||||||
|
單獨一個90o九十度彎頭或三通管件(文丘里管僅從這個管道流出來) |
在全部統一立體化上的好幾個或多種90o異徑三通 |
在差異三維立體上的一個或個90o90度彎頭 |
漸縮管在1.5D到3D厚度由2D轉為D |
漸擴管在D到2D長寬內由0.5D變的D |
三通球閥開高 |
全孔三通球閥或閘閥調滿 |
對應點驟縮管 |
攝氏度計線管或插孔內徑不大于0.03D |
溫度因素計電纜套管或插孔半徑在0.03D和0.13D之前 |
后期阻流件(后3個不在其內) |
||||||||||||
|
|
A |
B |
A |
B |
A |
B |
A |
B |
A |
B |
A |
B |
A |
B |
A |
B |
A |
B |
A |
B |
A |
B |
|
0.20 |
10 |
6 |
14 |
7 |
34 |
17 |
5 |
|
16 |
8 |
18 |
9 |
12 |
6 |
30 |
15 |
5 |
3 |
20 |
10 |
4 |
2 |
|
0.25 |
10 |
6 |
14 |
7 |
34 |
17 |
5 |
|
16 |
8 |
18 |
9 |
12 |
6 |
30 |
15 |
5 |
3 |
20 |
10 |
4 |
2 |
|
0.30 |
10 |
6 |
16 |
8 |
34 |
17 |
5 |
|
16 |
8 |
18 |
9 |
12 |
6 |
30 |
15 |
5 |
3 |
20 |
10 |
5 |
2.5 |
|
0.35 |
12 |
6 |
16 |
8 |
36 |
18 |
5 |
|
16 |
8 |
18 |
9 |
12 |
6 |
30 |
15 |
5 |
3 |
20 |
10 |
5 |
2.5 |
|
0.40 |
14 |
7 |
18 |
9 |
36 |
18 |
5 |
|
16 |
8 |
20 |
10 |
12 |
6 |
30 |
15 |
5 |
3 |
20 |
10 |
6 |
3 |
|
0.45 |
14 |
7 |
18 |
9 |
38 |
19 |
5 |
|
17 |
9 |
20 |
10 |
12 |
6 |
30 |
15 |
5 |
3 |
20 |
10 |
6 |
3 |
|
0.50 |
14 |
7 |
20 |
10 |
40 |
20 |
6 |
5 |
18 |
9 |
22 |
11 |
12 |
6 |
30 |
15 |
5 |
3 |
20 |
10 |
6 |
3 |
|
0.55 |
16 |
8 |
22 |
11 |
44 |
22 |
8 |
5 |
20 |
10 |
24 |
12 |
14 |
7 |
30 |
15 |
5 |
3 |
20 |
10 |
6 |
3 |
|
0.60 |
18 |
9 |
26 |
13 |
48 |
24 |
9 |
5 |
22 |
11 |
26 |
13 |
14 |
7 |
30 |
15 |
5 |
3 |
20 |
10 |
7 |
3.5 |
|
0.65 |
22 |
11 |
32 |
16 |
54 |
27 |
11 |
6 |
25 |
13 |
28 |
14 |
16 |
8 |
30 |
15 |
5 |
3 |
20 |
10 |
7 |
3.5 |
|
0.70 |
28 |
14 |
36 |
18 |
62 |
31 |
14 |
7 |
30 |
15 |
32 |
16 |
20 |
10 |
30 |
15 |
5 |
3 |
20 |
10 |
7 |
3.5 |
|
0.75 |
36 |
18 |
42 |
21 |
70 |
35 |
22 |
11 |
38 |
19 |
36 |
18 |
24 |
12 |
30 |
15 |
5 |
3 |
20 |
10 |
8 |
4 |
|
0.80 |
46 |
23 |
50 |
25 |
80 |
40 |
30 |
15 |
54 |
27 |
44 |
22 |
30 |
15 |
30 |
15 |
5 |
3 |
20 |
10 |
8 |
4 |
①溫度計套管或插孔的設置裝備擺設不變革其余阻流件須要的下流最短直管段長度。
注:1.最短直管段長度是節省件下流或下流的各類阻流件與節省件之間的數值,全數直管段長度從節省 件的下流端面丈量起。
2.A欄為"零附加不肯定長度"的長度值。
3.B欄為"0.5%附加不肯定度"的長度值。
4.有些(xie)節省(sheng)件不是全(quan)數(shu)β值都許可接納的。
表4.7 典范文丘里管所請求的直管段長度(無活動調劑器)(數值以管徑D倍數表現)
|
直勁比β |
1個90o彎頭① |
在中國統一有立體感圖像上或優越性有立體感圖像上的兩根或倆個90o彎頭① |
漸縮管在2.3D段長度內由1.33D轉變成D |
漸擴管在2.5D長寬高內由0.67D成為D |
全孔閘閥或閘閥調滿 |
|||||
|
|
A |
B |
A |
B |
A |
B |
A |
B |
A |
B |
|
0.30 |
8 |
3 |
8 |
3 |
4 |
4 |
4 |
4 |
2.5 |
2.5 |
|
0.40 |
8 |
3 |
8 |
3 |
4 |
4 |
4 |
4 |
2.5 |
2.5 |
|
0.50 |
9 |
3 |
10 |
3 |
4 |
4 |
5 |
4 |
3.5 |
2.5 |
|
0.60 |
10 |
3 |
10 |
3 |
4 |
4 |
6 |
4 |
4.5 |
2.5 |
|
0.70 |
14 |
3 |
19 |
3 |
4 |
4 |
7 |
5 |
5.5 |
3.5 |
|
0.75 |
16 |
8 |
22 |
8 |
4 |
4 |
7 |
6 |
5.5 |
3.5 |
① 彎頭的曲率半徑大于或即是管徑。
注:⒈最小直管段長度是指典范文丘里管下流各類阻流件與典范文丘里管之間的長度,直管段長度是從最接近(或唯一)的彎頭的曲面局部下流結尾或漸縮管和漸擴管的追面局部下流結尾丈量起,它直至典范文丘里管下流取壓口的立體處。
⒉各阻流件A欄為"零附加不肯定度"的長度值。
⒊各阻流件B欄為"0.5%附加不肯定度"的長度值。
⒋若溫度計套管或插孔裝配于典范文丘里管的下流,必須不大于0.13D并設置在文丘里管下流取壓口的下流最少4D處。
⒌各類阻流件或其余攪擾件(如表中所示)或密度計套管應設置于喉部取壓口立體下流最少4倍喉徑處,并不應影響丈量的切確度。
(2)節省件的裝配
節省件裝配的垂直度、同軸度及與丈量管之間的毗連都有嚴酷的劃定。
1)垂直度 節省件應垂直于管道軸線,其誤差許可在±1o之間。
2) 同軸度 節省件應與管道或夾持環(接納時)同軸。節省件的軸線與高低流側丈量管軸線之間的間隔(或稱偏疼率)ec與取壓管軸線的平行份量ecl及垂直份量ecn應知足下式,此時流出系數C無附加不肯定度
ecl≤0.0025D/(0.1+2.3β4) (4.3)
和 ecn≤0.005D/(0.1+2.3β4) (4.4)
若是ecl在式(4.5)范圍內,則流出系數C的不肯定度應算術相加±0.3%的附加不肯定度
0.0025D/(0.1+2.3β4)≤ecl≤0.005D/(0.1+2.3β4) (4.5)
若是ec1和ecn在式(4.6)范圍,則以為不合適規范文件(ISO 5167)的請求
ecl或ecn>0.005D/(0.1+2.3β4)
(4.6)
由式可見,在中小口徑及大β值時,裝配偏疼率的請求是很嚴酷的,ec的現實查驗很堅苦,應由各毗連件的共同公役來保障。
3)節省件前后丈量管的裝配 離節省件2D之外,節省件與第一個下流阻流件之間的丈量管,可由一段或多段差別截面的管子構成,其許可的臺階及附加不肯定度如圖4.23所示。在離節省件下流側端面最少2D長度的下流丈量管上,下流管道內徑與下流丈量管的內徑均勻值之差,應不跨越內徑均勻值的±3%。若hs≤±0.3%D,則對流出系數可用參比前提下的精度。若hs≥±0.3%D,并且hs/D≤0.002×(Ls/D+0.4)/(0.1+2.3β4)和hs/D≤0.05式中β=d/D hs=D1-D
則(ze)對流出系數的精度(du)應(ying)附加±0.2%的不肯定度(du)。

圖4.23 管道臺階(jie)查(cha)驗
(3)差壓旌旗燈號管路的裝配
差壓旌旗燈號管路是指節省裝配與差壓變送器(或差壓計)的導壓管路。它是DPF的軟弱關鍵,據統計DPF的毛病中引壓管路最多,如梗塞、侵蝕、泄露、解凍、假旌旗燈號等等,約占全數毛病率的70%,是以對差壓旌旗燈號管路的設置裝備擺設和裝配應弓[起高度正視。
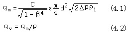
1)取(qu)(qu)壓(ya)(ya)口(kou)(kou) 取(qu)(qu)壓(ya)(ya)口(kou)(kou)普通(tong)設置在法蘭、環室或(huo)(huo)夾(jia)持(chi)環上(shang),當丈量管道為程度(du)或(huo)(huo)傾斜時(shi)取(qu)(qu)壓(ya)(ya)口(kou)(kou)的(de)裝配標的(de)目的(de)如圖(tu)4.24所示。它(ta)能夠避免測液體(ti)時(shi)氣體(ti)進入(ru)導壓(ya)(ya)管或(huo)(huo)測氣體(ti)時(shi)液滴或(huo)(huo)污物進入(ru)導壓(ya)(ya)管。當丈量管道為垂直時(shi),取(qu)(qu)壓(ya)(ya)口(kou)(kou)的(de)地位(wei)(wei)在取(qu)(qu)壓(ya)(ya)地位(wei)(wei)的(de)立體(ti)上(shang),標的(de)目的(de)可肆意(yi)挑(tiao)選。差別溫度(du)前提(ti)下取(qu)(qu)壓(ya)(ya)會商的(de)裝配體(ti)例如圖(tu)4.25所示。

圖4.24 取壓口地位裝配表示

圖4.25 在管道上裝配取壓會商的體例
注:取壓空邊緣應整潔,為直角或略加倒圓,無毛刺、卷刃及其余錯誤謬誤
(a)溫度在426oC(800oF)以下;(b)溫度在426oC(800oF)以上,并且與二次元件之間間隔較大;(c)當請求滿角焊時可選此計劃;(d)溫度在204oC(400oF)以下
2)導壓管 導壓管的材質應按被測介質的性子和參數肯定,其內徑不小于6mm,長度最好在16mm之內,各類被測介質在差別長度時導壓管內徑的倡議值如表4.8所示。導壓管應垂直或傾斜敷設,起傾斜度不小于1:12,粘度高的流體,其傾斜度應更增大。當導壓管長度跨越30m時,導壓管應分段傾斜,并在最高點與最低點裝設集氣器(或排氣閥)和積淀器(或排污閥)。正負導壓管應計量接近敷設,避免兩管子溫度差別使旌旗燈號失真,酷寒地域導壓管應加防凍掩護,用電或蒸汽加熱保溫,要避免過熱,導壓管中流體汽化會發生假差壓應予注重。
表4.8 導壓管的內徑和長度 mm
|
導壓管直徑/mm |
<16000 |
16000~45000 |
45000~90000 |
|
導壓管直徑約/mm |
|||
|
被測兩相流 |
|||
|
水、水廢氣、干廢氣 |
7~9 |
10 |
13 |
|
濕氣物 |
13 |
13 |
13 |
|
低、中用戶粘度的油料 |
13 |
19 |
25 |
|
臟固體或固體 |
25 |
25 |
|
3)差壓旌旗燈號管路的裝配 按照被測介質和節省裝配與差壓變送器(或差壓計)的絕對地位,差壓旌旗燈號管路有以下幾種裝配體例。
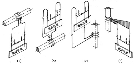
被測流體(ti)(ti)為潔凈液體(ti)(ti)時,旌旗(qi)燈號管路的裝配體(ti)(ti)例(li)如圖(tu)4.26所示。

圖4.26 被測流體為潔凈液體是,旌旗燈號管路裝配表示
(a)儀表在管道(dao)下方;(b)儀表在管道(dao)上方;(c)垂直管道(dao),被測流體(ti)為(wei)低溫液體(ti)

圖4.27 被測流體為潔凈干氣體時,旌旗燈號管路裝配表示
(a)儀(yi)(yi)表(biao)(biao)在管(guan)(guan)道下方(fang);(b)儀(yi)(yi)表(biao)(biao)在管(guan)(guan)道上方(fang);(c)垂直管(guan)(guan)道,儀(yi)(yi)表(biao)(biao)在取壓(ya)口上方(fang);(d)垂直管(guan)(guan)道,儀(yi)(yi)表(biao)(biao)在取壓(ya)口下方(fang)

圖4.28 被測流體為水蒸氣時,旌旗燈號管路裝配表示
(a)儀表(biao)在(zai)管道(dao)(dao)下方;(b)儀表(biao)在(zai)管道(dao)(dao)上(shang)方;(c)垂直(zhi)管道(dao)(dao),儀表(biao)在(zai)取壓口下方;(d)儀表(biao)在(zai)管道(dao)(dao)下方,同(tong)(a)圖,僅冷凝(ning)器裝配體例差別,可肆意(yi)選(xuan)用

圖4.29 被(bei)測流體(ti)為(wei)濕氣體(ti)時,旌旗(qi)燈號(hao)管(guan)路裝配表示(a),(b)
圖4.29 被(bei)測流體(ti)為(wei)濕氣體(ti)時,旌旗(qi)燈號(hao)管(guan)路裝配表示(c)-(f)
4. 規范和檢定例程
節省式DPF的規范在全數流量儀表規范中應當說是最成熟且下的工夫是最大的了。國際規范化構造(ISO)第30手藝委員會(TC30)自建立之日起(1947年)幾近集合全數氣力籌辦制定一部節省裝配國際規范。顛末30余年盡力,終究在1980年頒發第一部節省裝配國際規范ISO 5167(1980)(最新的ISO5167(2003)),自規范正式頒發之日起就又嚴重地籌辦停止訂正任務。一部規范在頒發之時即同時頒發發表起頭停止訂正仿佛并無先例。全數80年月國際上展開大范圍孔板流量計研討實驗,為改良規范的手藝根本打下堅固根本。顛末屢次會商會檢查,ISO 5167新規范的底稿(CD文件)籌辦在1999年7月美國丹佛(Denver)召開的ISO/TC30/SC2集會檢查經由進程為DIS(規范草案),該CD規范文件是一個全新的規范,它與曩昔的規范有本色性變革。但是集會以為另有一些細節(不是首要題目)需商議,CD文件未能改變為DIS文件。
為使ISO 5167獲得更好的貫徹,并知足現場現實的須要,ISO最近幾年還頒發了一系列節省裝配手藝報告(TR),如ISO/TR9464:1998,ISO/TRl2767:1998,ISO/TR15377:1998和ISO/TR3313:1998等,這些手藝報告拓展了ISO 5167的利用空間,給利用者供給摸索題目的指點。
節省式DPF國際規范的一個最大特色是它使檢測件--節省裝配布局情勢規范化了,如許對節省裝配的實驗研討就能夠把全天下的科研功效會聚一路,這是其余流量儀表所不迭的。
天下列國(guo)都按照國(guo)際規范(fan)制定本國(guo)的國(guo)度規范(fan),我國(guo)自70年(nian)月起即努(nu)力(li)于節省裝配(pei)國(guo)度規范(fan)和(he)檢(jian)定例(li)程的制定,頒發了(le)GB2624-81,JJG 267-82,JJG 311-83,JJG 621-89等,厥后又(you)訂正為GB/T 2624-93和(he)JJG 640-94。

